Online-MC

Norsk bedrift med lager i Førde, lagerførte varer sendes samme dag ved bestilling før 13:00

Online-MC
0
  • Kundeservice
  • Logg inn
  • Huskeliste
  • 0,00 0
    • ATV utstyr
    • Bagasje
    • Batteri
    • Bekledning
    • Dekk og tilbehør
    • Elektrisk/Elektronikk
    • Hjelm og sikkerhet
    • Olje - Silkolene
    • Racing
    • Styre, hendler, speil o.l
    • Trim og reservedeler
    • Vedlikehold/lagring
    • Verktøy
    • Vindskjerm universal
    • Div ATV & Snøscooter
    • Maskiner & redskap
    • ATV/UTV tilbehør - Universalt
    • Beskyttelse & påbygg
    • Tilhenger & slede
    • Plogutstyr
    • Bensin / FuelPack
    • Beitepusser
    • Børste
    • Flisekutter
    • Hengerfestemontert modulsystem
    • Kostemaskin
    • Landbruk
    • Reservedeler
    • Ridebane
    • Skisporsetter
    • Snøfres
    • Spreder/strøer
    • Tilbehør
    • Veiskrape
    • Bagasje
    • Bagasje ATV diverse
    • Festeklemmer
    • Fjæringslås
    • Hengerfeste og kule
    • Holdere
    • Kjetting
    • Motorsag holder
    • Vinsj
    • Vinsj - Reservedeler
    • Vinsj - Utstyr
    • Beltesett
    • Bukskjold
    • Frontskjold
    • Hengerfesteadapter
    • Tilbehør
    • Vinsjbrakett
    • Kassehenger
    • Lasteslede
    • Reservedeler
    • Tilbehør
    • Tilhengerski
    • Tilhengerutstyr
    • Tømmerhenger
    • Tømmerslede
    • Tømmertrekker
    • Brakett for hev/senk plogutstyr
    • Festebrakett
    • Hydraulikk pumpe
    • Hydraulikk tilbehør
    • Komplett plogpakke
    • Komplett plogpakke (V-plog)
    • Konet-plog
    • Reservedeler
    • Rett-plog
    • Rival plogsystem
    • Skuffe
    • Skyveramme (standard)
    • Skyveramme (V-plog)
    • Tilbehør
    • V-plog
    • Hard bagasje
    • Soft og saddlebags
    • Bagasjebrett/bærer
    • Bagasje div/ekstrautstyr
    • Diverse harde bokser
    • Givi Aluminium
    • Givi MonoKey
    • Givi MonoLock
    • GPS holdere
    • Rollerbag/Pølsebag
    • Ryggsekker
    • Saddlebags
    • Setebag/Bagasjebag
    • Soft diverse
    • Tankvesker
    • Brett til toppboks
    • Universal bærere
    • Givi lys/elektrisk
    • Givi reklameartikler
    • Givi ryggstøtte/pute
    • Innervesker stropper og div
    • Batteri
    • Batterilader
    • Div batteri
    • Finn riktig batteri
    • Unibat batteri
    • Vedlikeholdslader
    • Hansker
    • Regntøy
    • Diverse bekledning
    • Personlig sikkerhet
    • Sport/Racing
    • Vanntett
    • Regndresser
    • Diverse
    • Halsvarmere o.l
    • Knepucker
    • Brynjer
    • Kne,albu og nakke
    • Ryggskinner
    • Dekk
    • Slanger
    • Tilbehør dekk/felg
    • ATV Dekk
    • Finn Dekk
    • Lett Mc/ Moped gatedekk
    • Scooterdekk
    • Tung MC gatedekk
    • Tung MC Offroad
    • Vinterdekk
    • ATV slanger
    • Cross Heavy Duty
    • Felgband
    • Moped/MC slanger
    • Dekk/felg dekor
    • Ventiler o.l.
    • Intercom
    • Elektrisk
    • Lyspærer
    • Koso - Instrumenter
    • Lys og tilbehør
    • Tilbehør/Reservedeler
    • Bryter / USB Strømforsyning
    • CDI, Coil og ECU.
    • Diverse
    • Horn
    • Instrumentpanel DAYTONA
    • Instrumentpanel KOSO
    • Kjølevifte
    • Pærer
    • Plugghetter/kabel
    • Regulator/likeretter
    • Releer
    • Sikringer
    • Startere m/tilbehør
    • Stator / Spole
    • Tenningslås / Låssett
    • 12 Volts pærer
    • 6 Volts pærer
    • Ekstrautstyr
    • Instrumenter
    • Baklys/skiltlys
    • Baklys/skiltlys universal
    • Blinklys modellspesifikk
    • Blinklys universal
    • Frontlykter/ekstralys universal
    • Neon / LED
    • Intercom
    • Hjelmer
    • Hjelm tilbehør
    • Personlig sikkerhet
    • Tilbehør/Reservedeler
    • Åpningshjelm
    • Cross hjelm
    • Halvhjelm
    • Helhjelm
    • Antidugg/vedlikehold
    • Brynjer
    • Kne,albu og nakke
    • Ryggskinner
    • Olje/kjemikalier
    • 2 Takt Off-road
    • 2 Takt Racing
    • 2 Takt Scooter/Moped
    • 4 Takt ATV / Off-road
    • 4 Takt Classic
    • 4 Takt Scooter
    • 4 Takt veg / RRace
    • Agrifarm
    • Bensintilsetning
    • Bilolje
    • Brems/Clutch
    • Filter olje/rens
    • Gaffelolje
    • Girolje
    • Grease
    • Hygiene
    • Kjedespray
    • Kjøleveske
    • Spesial spray
    • Vaske artikler
    • Öhlins
    • Goodridge slanger og kobl.
    • Felger
    • Hotbodies
    • Filter og tilbehør
    • Racing
    • Koso - Instrumenter
    • ATV
    • Demper Crosscart
    • Demper MC
    • Demper MX
    • Discounted service parts MX
    • Fjærer Forgaffel
    • Fjærer støtdemper
    • Framgaffel
    • MC/Advent/Touring/Mech_Comp.kit_BMW
    • MC/Adventure/Tour/SA ÖAS Tfr
    • MC/Adventure/Tour/Shock absor OAS
    • MC/Adventure/Touring/Cartridge Kit
    • MC/Adventure/Touring/FF springs
    • MC/Adventure/Touring/Front fork
    • MC/Adventure/Touring/Shock absorber
    • MC/Custom & Heritage/Cartridge Kit
    • MC/Custom & Heritage/FF
    • MC/Custom & Heritage/FF Kit OAS
    • MC/Custom & Heritage/FF Springs
    • MC/Custom & Heritage/SA
    • MC/Custom & Heritage/SA OAS
    • MC/Custom & Heritage/SA ÖAS Tfr
    • MC/Custom & Heritage/SA ÖAS Tfr
    • MC/MX&Enduro/ATV/SA
    • MC/MX&Enduro/Cartridge Kit
    • MC/MX&Enduro/Front fork
    • MC/MX&Enduro/Front fork springs
    • MC/MX&Enduro/Shock absorber
    • MC/MX&Enduro/Steering damper
    • MC/Powersport/MEX/SA_ÖAS Tfr
    • MC/Scooter/Front Fork Kit OAS
    • MC/Scooter/Front fork_springs
    • MC/Scooter/Shock absorber
    • MC/Scooter/Shock absorber OAS
    • MC/Street/Front fork
    • MC/Street/Front fork cartridge kit
    • MC/Street/Front Fork Kit OAS
    • MC/Street/Front fork springs
    • MC/Street/Shock absorber
    • MC/Street/Shock absorber OAS
    • MC/Street/Steering damper
    • MC/Supersport/Front fork
    • MC/Supersport/Front fork cartridge
    • MC/Supersport/Front Fork Kit OAS
    • MC/Supersport/Front Fork Piston Kit
    • MC/Supersport/Front fork springs
    • MC/Supersport/SA Mechatronic
    • MC/Supersport/SD_Mechatronic
    • MC/Supersport/Shock absorber
    • MC/Supersport/Shock absorber OAS
    • MC/Supersport/Steering damper
    • MC/Touring/Front fork
    • MC/Touring/Front fork springs
    • MC/Touring/Shock absorber
    • Merchandise
    • P&A/Accessories/Mechatronic_other
    • P&A/Accessories/Other
    • P&A/Accessories/SD Off Road
    • P&A/Accessories/Spring Fork
    • P&A/Accessories/Spring Shock
    • P&A/Accessories/Spring Titanium
    • P&A/Clothing
    • P&A/Merchandise
    • P&A/Other
    • P&A/Tools
    • Spare parts MOQ
    • Spare parts staggered discount
    • Styredemper
    • Verktøy
    • Ferdige slanger fast lengde
    • Låsewire og verktøy
    • Slanger/deler- brems/clutch
    • Excel felgringer og deler
    • Hugger
    • Undertail
    • Gearkasse/vent.filter K&N
    • K&N Serviceprodukter
    • Luftfilter (økonomi)
    • Luftfilter K&N
    • Luftfilter universalt K&N
    • Oljefilter (økonomi)
    • Oljefilter Champion
    • Oljefilter K&N
    • Dekkvarmere
    • Diverse Racing
    • Stropper
    • Ekstrautstyr
    • Instrumenter
    • BLING,skruer og bolter
    • Ekstrautstyr og styling
    • Hendler, Styre, Wirer
    • Speil og tilbehør
    • Bling
    • Beholdere
    • Diverse
    • Olje / Bensinlokk
    • Skruer / Muttere
    • Styrelodd
    • Tankpads & Felgstripe
    • Holker
    • Styrer
    • Varmeholker
    • Vekter/styrelodd
    • Modellspesifikke speil
    • Tilbehør speil
    • Universal speil
    • Diverse reservedeler
    • Trim og motordeler
    • Motorparts
    • Standard kit
    • Lager
    • Tetninger(simmerringer)
    • Gear og variator
    • ATV performance
    • ATV variator
    • Clutch lamell og fjærer
    • ECU-tuner
    • Erstatningssylinder
    • Kryssbolt / rådebolt /-clips / -lager
    • Pakninger og pakningsett
    • Rådekit
    • Stage 6 sylinderkit
    • Stage 7 sylinderkit
    • Stempelkit
    • Stempelringer Barikit
    • Sylinder kit
    • Sylinderkit 125cc og større
    • Veivakslinger
    • Clutch
    • Finn Motorparts
    • Reservedeler
    • Daelim std kit
    • Rieju std kit
    • Kulelager serie 50-59
    • Kulelager serie 60...
    • Kulelager serie 62...
    • Kulelager serie 63...
    • Kulelager serie 68...
    • Kulelager serie 69...
    • Kulelager spesial
    • Lager konisk
    • Nålelager
    • Simring i.diam 10-20mm
    • Simring i.diam 21-25mm
    • Simring i.diam 26-30mm
    • Simring i.diam 31-35mm
    • Simring i.diam 36-40mm
    • Simring i.diam 41-49mm
    • Simring i.diam 50-... mm
    • Simring spes. teflon veiv
    • Simring tommer (inch)
    • Goodridge slanger og kobl.
    • Låser og alarmer
    • Vask og vedlikehold
    • Lagring
    • Olje/kjemikalier
    • Batteri lader
    • Lear Chemical
    • S100
    • Ferdige slanger fast lengde
    • Låsewire og verktøy
    • Slanger/deler- brems/clutch
    • Alarmer
    • Låser
    • Børster og svamper
    • Garasje / Trekk
    • Jekk / Stands
    • 2 Takt Off-road
    • 2 Takt Racing
    • 2 Takt Scooter/Moped
    • 4 Takt ATV / Off-road
    • 4 Takt Classic
    • 4 Takt Scooter
    • 4 Takt veg / RRace
    • Agrifarm
    • Bensintilsetning
    • Bilolje
    • Brems/Clutch
    • Filter olje/rens
    • Gaffelolje
    • Girolje
    • Grease
    • Hygiene
    • Kjedespray
    • Kjøleveske
    • Spesial spray
    • Vaske artikler
    • Lader / Vedlikehold
    • ACF-50
    • Corrosion Block
    • Corrosion Block Grease
    • Hjelm rengjøring
    • Kjede smøring og rens
    • Motorsykkel rengjøring og pleie
    • Vask og impregnering klær
    • Verktøy og lagring
    • Demper/Gaffelben reservedeler
    • ATV variator verktøy (CVT)
    • Div verktøy
    • Lagring
    • Lasterampe
    • Terser og spesialverktøy
    • Verktøy gaffelben
    • Verktøy støtdemper
    • Vindskjerm/kåpeglass
    • Vindskjerm universal
    • Vindskjerm/k.glass pr modell
  • Outlet
  • Tips og triks
  • Delekataloger
  • Kundeservice
  • Logg inn
Skiltsøk

Produkter

Treff: {{ (results && results.products && results.products.nbHits) || 0 }}

Vis alle resultater

Kjøretøy

Treff: {{ (results && results.vehicles && results.vehicles.nbHits) || 0 }}

Finn produkter til ditt kjøretøy i modellsøk.

  • {{ vehicle.merke }} {{ vehicle.modell }}, {{ vehicle.motorstr}} cm3, {{ vehicle.aarfra }} {{ vehicle.modellkode && vehicle.modellkode.length > 1 ? '(' + vehicle.modellkode + ')' : '' }}
  1. Du er her:
  2. Fremsiden
  3. Delekataloger og teknisk
  4. Daelim
  5. Roadwin R (VJF-125 Euro3)
  6. Alle 2007
Versjoner

Daelim Roadwin R (VJF-125 Euro3) Alle 2007

Daelim Daelim Roadwin R Alle 2007

Delekatalog

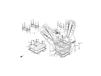
CYLINDER HEAD

CYLINDER HEAD

CYLINDER

CYLINDER

CAM SHAFT

CAM SHAFT

CAM CHAIN, TENSIONER

CAM CHAIN, TENSIONER

RIGHT CRANK CASE COVER

RIGHT CRANK CASE COVER

WATER PUMP

WATER PUMP

CLUTCH

CLUTCH

LEFT CRANK CASE COVER

LEFT CRANK CASE COVER

GENERATOR

GENERATOR

STARTER MOTOR

STARTER MOTOR

CRANK CASE

CRANK CASE

CRANK SHAFT, PISTON

CRANK SHAFT, PISTON

TRANSMISSION

TRANSMISSION

SHIFT DRUM, SHIFT FORK

SHIFT DRUM, SHIFT FORK

THROTTLE BODY

THROTTLE BODY

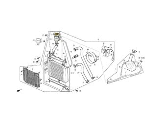
RADIATOR, RADIATOR HOSE

RADIATOR, RADIATOR HOSE

HEADLIGHT

HEADLIGHT

METER

METER

HANDLE LEVER, SWITCH, CABLE

HANDLE LEVER, SWITCH, CABLE

FRONT BRAKE MASTE CYLINDER

FRONT BRAKE MASTE CYLINDER

HANDLE PIPE, TOP BRIDGE

HANDLE PIPE, TOP BRIDGE

STEERING STEM

STEERING STEM

FRONT FENDER

FRONT FENDER

FRONT COWL

FRONT COWL

FRONT FORK

FRONT FORK

FRONT BRAKE CALIPER

FRONT BRAKE CALIPER

FRONT WHEEL

FRONT WHEEL

REAR BRAKE CALIPER

REAR BRAKE CALIPER

FUEL TANK

FUEL TANK

SEAT

SEAT

SEAT 2012

SEAT 2012

SIDE COVER

SIDE COVER

REAR WHEEL

REAR WHEEL

EXHAUST MUFFLER

EXHAUST MUFFLER

AIR CLEANER

AIR CLEANER

BATTERY

BATTERY

BRAKE, CHANGE PEDAL

BRAKE, CHANGE PEDAL

STEP

STEP

STAND

STAND

SWING ARM

SWING ARM

REAR CUSHION

REAR CUSHION

REAR FENDER

REAR FENDER

REAR FENDER 2012

REAR FENDER 2012

REAR COWL

REAR COWL

REAR COWL 2012

REAR COWL 2012

REAR WHEEL MUDGARD

REAR WHEEL MUDGARD

FRONT WINKER

FRONT WINKER

REAR WINKER

REAR WINKER

TAIL LIGHT

TAIL LIGHT

TAIL LIGHT 2012

TAIL LIGHT 2012

WIRE HARNESS

WIRE HARNESS

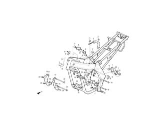
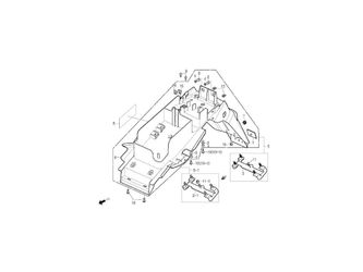
FRAME BODY

FRAME BODY

FRAME BODY 2012

FRAME BODY 2012

SIDE COWL

SIDE COWL

MARK

MARK

MARK 10

MARK 10

MARK 12

MARK 12

TOOL

TOOL
Følg oss på facebook for nyheter, konkurranser og gode tilbud! 🔥🔥
KONTAKT OSS

Vi hjelper deg på telefon/e-post mandag-fredag kl. 08.00-16.00

57 72 55 26

kundeservice@online-mc.no

Indre Hornnesvika 2, 6809 Førde

Org.nr.: NO 993 259 713 MVA

HJELP
  • Betaling
  • Kjøpsbetingelser
  • Levering
  • Ofte stilte spørsmål
  • Reklamasjon og garanti
  • Retur og bytte
  • Størrelser
OM OSS
  • Om oss
  • Åpenhetsloven
  • Kataloger
FØLG OSS
DIN KONTO
  • Logg inn
  • Registrer deg
  • Personvern
Online-MC

Copyright © 2019 online-mc.no. All rights reserved.

Lagt til i handlekurv

Gå til handlekurven